



400 6626 286
上海美續測控 MX-LL-116-09 超聲波流量計根據對信號檢測的原理超聲流量計可分為傳播速度差法(直接時差法、時差法、相位差法和頻差法)、波束偏移法、多普勒法、互相關法、空間濾法及噪聲法等,超聲波流量計
電元件的逆壓電效應,而接收換能器則是利用壓電效應。
超聲流量計和電磁流量計一樣,因儀表流通通道未設置任何阻礙件,均屬無阻礙流量計,是適于解決流量測量困難問題的一類流量計,特別在大口徑流量測量方面有較突出的優點,它是發展迅速的一類流量計之一
上海美續 MX-LL-116-09WJ 分體式超聲波流量計廣泛應用于工業現場中各種液體的在線流量計量,該款產品主機分為壁掛標準型、壁掛防爆型、盤裝型和壁掛網絡型,傳感器分為外夾式、插入式、管段式等,以滿足用戶不同現場的使用需要。
2.應用領域:
?石油化工、鋼鐵冶金
?給水排水、水利灌溉
?水處理、污水處理站(環保污水控制)
?酒精、油類、污水等流體
?蒸餾脫銷工程系統、冷凝水測量
3.產品特點
無機械傳動部件不容易損壞,免維護,壽命;
管段式小管徑測量經濟又方便、 計量準確、精度高。
外夾式、插入式極易適合大口徑流量測量行業
重復性好,一般為 0.05~0.08%,具有可選小信號切除,非線性修正,濾波時間可選擇;
基本沒有壓力損失,大口徑可以采用外夾式;
可以測非導電性介質:純水、油等
抗干擾、抗雜質能力特強,多種輸出形式,能遠傳各種參數,使用無需拌熱。
![]() |
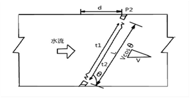
時差法測量原理 :

時差法測量流體流量的原理如圖所示。它利用聲波在流體中傳播時因流體流動方向不同而傳播速度不同的特點,測量它的順流傳播時間 t1 和逆流傳播時間 t2 的差值,從而計算流體流動的速度和流量.
| 6.選型參數規格: | |
| 型號說明: | MX-LL-116-09WJ(外夾式);MX-LL-116-09GD(管段連接) |
| 公稱直經: | DN15-DN1000(管道式安裝方式);DN15-DN6000(外夾式連接) |
| 數顯外殼: | M1(常規外殼);M2(防爆外殼) |
| 流速范圍: | 0~20m/s(可以選擇); | ||||||||||
| 精度范圍: | 優于±1%(代號 A2),優于±1.5%(代號 A2) | ||||||||||
| 工作壓力: | 介質壓力≤2.5MPA | ||||||||||
| 介質溫度: | 標準:-20℃~100℃外夾式(W1);高溫:-20℃~ 160℃(W2) 特殊高溫需要定制 | ||||||||||
| 供電電源: | 220VAC 供電(E1);24VDC 供電(E2);電池供電(E3) | ||||||||||
| 信號輸出: | 4~20mA 電流輸出(S2);4~20mA + RS485(S3);4~20mA+ HART 協議(S4) | ||||||||||
| 安裝方式: | 外夾式不需要選擇;管段式 DN15-DN1000 可以選擇。 | ||||||||||
| 本體材質: | 管段式需要選擇:碳鋼材質(F1);304 不銹鋼(F2);316L 不銹鋼(F3) | ||||||||||
| 測量周期: | 標準 500ms(每秒 2 次);特殊要求需要告之更換電路。 | ||||||||||
| 顯示內容: | 2×10 背光型漢字液晶顯示器;可顯示瞬時流量及正、負、凈累積,流量、流速等 | ||||||||||
| 防爆等級: | ExdIICT6Gb ;防護等級:IP65 | ||||||||||
| 介質濁度: | ≤10000ppm 且氣泡含量小 | ||||||||||
| 電氣接口: | M20*1.5(默認) | ||||||||||
| 7.選型指南: | |||||||||||
| 型號 | 測量通徑 | 防爆 | 介質溫度 | 供電 | 輸出 | 連接方式 | 本體材質 | 無 | 無 | ||
| MX-LL-116-09 | DN500 | M2 | 80° | 24VDC | 4-20MA | DN500 | 304 不銹鋼 | ||||
| 訂貨舉例: | MX-LL-116-09GD-DN150—M2-A3-W1-E2-S2 -F2 | ||||||||||