



400 6626 286
產品描述
上海美續MX-WD-05系列溫度變送器是專業為食品制藥行業所研發的,其小巧的外形結構和快裝式的連接方式深受制藥和食品行業親睞。該系列溫度傳感器具有熱響應時間快、抗熱性能強、耐高壓、抗震、多種溫度型號可選擇、安裝方式多元化等許多優點。它將感應到的冷熱程度通過連接線傳輸到顯示儀表,記錄儀表,電子調節器等儀表讀出溫度量值,也可以直接轉變為放大信號接入PLC。
產品特點
?裝配簡單、更換方便
?抗干擾性強、長期穩定性高、機械強度高
?抗震性能好、測量精度高
?測量范圍廣、耐壓性能好
?熱響應時間快、使用壽命長
應用領域
?工業自動化領域溫度監測
?食品及飲料加工行業
?石油化工溫度監測,水處理
?廢水廢氣溫度監測
?多效蒸發器設備、環保行業
?生物萃取領域
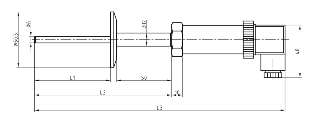
外形尺寸
技術規格
| 型號說明: | MX-WD-05(無數顯) |
| 測溫元件: | N,R,K,E,J,T,PT100,CU50 |
| 精度等級: | A級:+/- (0.15+0.2%t);B級:+/-(0.3+0.5%t) |
| 溫度范圍 | -20°~0~1300℃ |
| 供電電壓: | 24(12~36)VDC (變送器默認) ;10(6~12)VDC (mV信號熱電偶默認) |
| 輸出信號: | 4-20mA(兩線制A2);熱電偶直接寫 |
| 護管材質: | 304不銹鋼(F1);316不銹鋼(F2);鈦材質(F3) 或指定材質 |
| 連接類型: | 快裝連接(50.5MM密封面K1);快裝連接(63.5MM密封面K2) |
| 接線形式: | 赫斯曼出線 |
選型指南
| 型號 | 量程 | 輸出 | 安裝固定形式 | 插入深度以及直徑 | 其他 |
| MX-WD-05 | (-20-150) | 4-20MA | M20*1.5 | 100/6 | 無 |
| 訂貨舉例: | MX-WD-05-(-20-150)-A2-F1-K1-100/6 | ||||
特別提醒
如有不懂選型請咨詢銷售工程師,或者當地經銷商。
公司名稱:上海美續測控技術有限公司
辦公地址:上海市松江區三新北路1800弄國家電子商務園24號樓3層
工廠地址:上海松江區光華路650號
聯系電話:021-67881626
公司網址:m.0025sf.cn 、詳細說明請參照使用說明