



400 6626 286

1.產品描述:
上海美續測控MX-WD-03系列專業為安裝空間狹小的液壓領域和工程機械所開發的產品,它采用進口測溫元件,精湛的封裝技術及完善的裝配工藝確保了該產品的質量和性能。該系列溫度傳感器具有熱響應時間快、抗熱性能強、耐高壓、抗震、多種溫度型號可選擇、安裝方式多元化等許多優點。它將感應到的冷熱程度通過連接線傳輸到顯示儀表,記錄儀表,電子調節器等儀表讀出溫度量值,也可以直接轉變為放大信號接入PLC。
2.產品特點:
?結構形式多樣化,裝配簡單、更換方便
?抗干擾性強、長期穩定性高、機械強度高
?抗震性能好、測量精度高
?測量范圍大(-200℃~1800℃)
?熱響應時間快、使用壽命長、耐壓性能好
?需求安裝空間小
3.應用領域:
?工業自動化領域溫度監測
?食品及飲料加工行業
?石油化工溫度監測、水處理
?環保行業、廢水廢氣溫度監測
?液壓領域、工程機械
4.常用熱電偶主要技術指標:

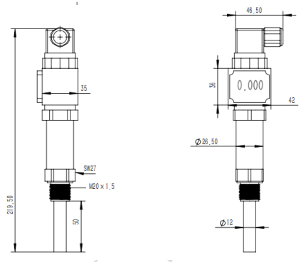
5.常用規格圖:

6.技術規格:

7.選型指南:
型號 | 量程 | 輸出 | 安裝固定形式 | 插入深度以及直徑 | 其他 |
MX-WD-03 | (-20-150) | 4-20MA | M20*1.5 | 100/6 | 無 |
訂貨舉例: | MX-WD-03-(-20-150)-E2-A2-M20-100/6-30A-D1 | ||||
8.特別提醒:
如有不懂選型請咨詢銷售工程師,或者當地經銷商。
公司名稱:上海美續測控技術有限公司
辦公地址:上海松江區小昆山鎮國家經濟開發區中德路 860 號 6 幢
聯系電話:021-67881626
公司網址:m.0025sf.cn 、詳細說明請參照使用說明